Systemy prostowników ESB 48VDC200A zostały specjalnie dostosowane do projektu modernizacji stacji bazowych w Ameryce Południowej. Te solidne systemy dostarczają niezbędne zasilanie do urządzeń w stacjach, gwarantując nieprzerwaną pracę nawet w trudnych warunkach, zwiększając tym samym stabilność usług komunikacyjnych.
Przegląd systemu
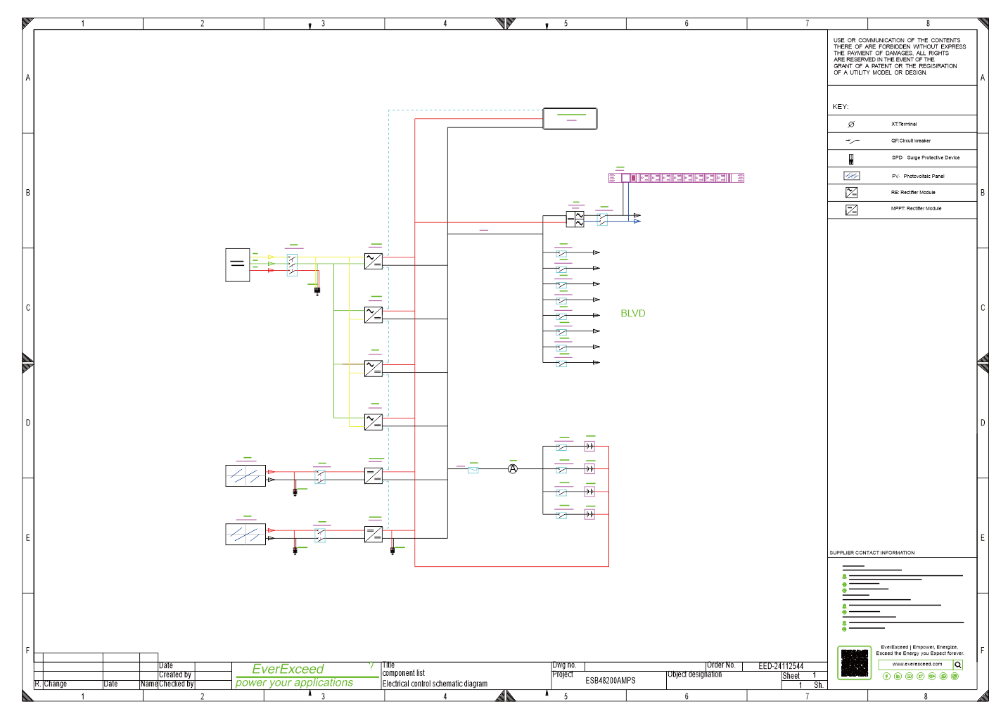
Dostosowane systemy prostowników telekomunikacyjnych serii ESB zostały zaprojektowane w oparciu o koncepcję „zintegrowanego, wielofunkcyjnego systemu zasilania stacji bazowej”. Obejmuje on moduł prostownika, moduł solarny MPPT, falownik, akumulator litowo-jonowy, moduł monitorujący, jednostkę dystrybucji zasilania (PDU) oraz szafę stacji bazowej w ramach jednej platformy.
| Specyfikacja ogólna | Specyfikacja ogólna | |
| Model | ESB48VDC200A |
|
| Temperatura pracy | -10°C do +45°C | |
| Temperatura przechowywania | -25°C~70°C (bez baterii) | |
| Wilgotność względna | 5%~95% RH (bez kondensacji wilgoci) | |
| Wysokość | Maks. 2000 m bez obniżania mocy | |
| Wentylator chłodzący | 21W*2 | |
| Stopień ochrony IP | IP20 | |
| Wymiary (mm) | Szer. 600*Gł. 900*Wys. 2000 | |
Najważniejsze cechy projektu
Wszystko w jednym: Szafa jest wysoce zintegrowana. Szczególnie dobrze sprawdza się w sieciach komunikacyjnych wymagających szybkiego wdrożenia, wydajnej pracy i elastycznej rozbudowy.
Projekt monitorowania wyłączników: Integruje wiele mechanizmów zabezpieczających (przeciążenie, zwarcie, podnapięcie) w celu monitorowania stanu i parametrów wyłącznika w czasie rzeczywistym. Obsługuje zdalne zarządzanie w celu wczesnego wykrywania potencjalnych usterek.
Projekt dystrybucji wielozakresowej: Łączy zasilanie prądem stałym, akumulator dwukierunkowy i dystrybucję fotowoltaiczną, wszystkie wyposażone w ochronę przeciwprzepięciową. Dystrybucja prądu stałego obejmuje technologię BLVD, która zapobiega nadmiernemu rozładowaniu akumulatora, wydłużając jego żywotność.
Konstrukcja modułu z możliwością wymiany na gorąco: Moduły 1U z możliwością wymiany bez wyłączania zasilania (hot-swap) umożliwiają wymianę online, zapewniając ciągłe zasilanie akumulatora i obciążenia. Moduły charakteryzują się inteligentnym podziałem prądu, redundancją i elastyczną regulacją mocy wyjściowej.
Centralny system monitorowania: Wbudowany system monitorowania FSU z architekturą B/S obsługuje dostęp do sieci. Centralnie monitoruje moduły prostownika, moduły fotowoltaiczne MPPT, falowniki i akumulatory litowe, oferując bogaty interfejs użytkownika i interaktywne środowisko.
Projekt ochrony przeciwprzepięciowej: Wyposażone w zabezpieczenia przeciwprzepięciowe AC SPD, PV SPD i DC SPD z bezpiecznikami wymiennymi w czasie pracy, co umożliwia łatwą wymianę, skutecznie chronią sprzęt przed wyładowaniami atmosferycznymi i przepięciami o częstotliwości sieciowej.
skanuj do WeChat:everexceed
